产品列表
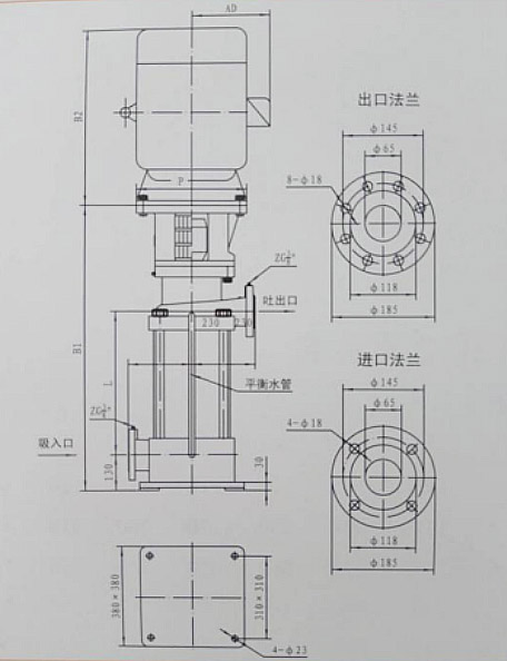
JGGC-G8![]() 【JGCC-G系列高扬程锅炉给水泵】 型号含义/Definition of Model JGGC-G8 - 35 ×8 JGGC------高效节能锅炉给水泵 G -------高扬程系列 8 ------流量 35 ------单级扬程 8 ------级数 【性能范围】 流量: Q=8~42m3/h 扬程: H=160~380m 电机转速:2950r/min 液体温度: -15℃~120℃ 电源: 一般情况下, 50HZ , 380V 【材质说明】 * 主要零部件如叶轮、轴套、泵轴用不锈钢制造 * 底座、电机座为铸铁件 * 采用硬质合金水润滑轴承及机械密封 * 采用刚性连联轴器传动 * 体积小、重量轻、抗腐蚀 * 振动小、噪音低、占地面积小、使用寿命长 * 高效节能、外形美观 【产品应用/Product application】 该系列水泵是一种多功能产品,可以输送从自来水到工业液体的各种不同介质,适用于不同温度,流量和压力范围。JGGC系列适用于无腐蚀性液体,JGGCN适用于轻度腐蚀性液体。广泛应用于锅炉配套给水系统、水处理系统、清洗喷淋系统、消防增压系统,还可用于热水循环、高层建筑供水、灌溉、空调冷却,化工等行业。 【运行条件/Operation condition】 ● 不含固体颗粒或纤维的液体。● 液体温度:常温型-15℃~+70℃ 热水型+70℃~+120℃● 环境温度:最高+40℃● 海拔:最高+1000m当泵在环境温度大于40℃或海拔高于1000m下运行时,由于空气密度低冷却效果差,电机输出功率会有一定降低。泵在上述情况下运行电机功率需配大。严禁水泵无水运转,检查确保不会/没有处于汽蚀状态。 【电机/Motor】 ●如用户不作要求,本厂提供水泵的电源要求均为380V、50HZ。但根据用户要求,可提供特殊频率(50HZ、60HZ)、特殊电压(110V~660V)的电源用泵,亦可配备防爆电机,防潮、防湿电机。
![]() ![]() 上一个:
JGGC-G13
下一个:没有资料
|